J41W不(bu)鏽鋼截(jie)止閥

J41W不(bu)鏽鋼截(jie)止閥産(chan)品介紹(shao):J41W不鏽鋼(gang)截止閥(fa)适用于(yu)各類腐(fu)蝕性介(jie)質的管(guan)道上,有(you)良好的(de)防腐性(xing)、足夠的(de)強度。 合(he)金鋼截(jie)止閥🧑🏾🎄神马电影网😁适(shi)用于耐(nai)高溫的(de)蒸汽、油(you)品管道(dao)上,具有(you)耐高溫(wen)特點。
J41W不(bu)鏽鋼截(jie)止閥應(ying)用範圍(wei):
J41W不鏽鋼(gang)截止閥(fa)主要材(cai)質為:CF8、CF3、CF8M、CF3M 、2520、雙(shuang)相不鏽(xiu)鋼、G1Cr18Ni9Ti、ZG1Cr18Ni12Mo2Ti等。産(chan)品主要(yao)應用于(yu)石化、化(hua)工、電力(li)、冶金、醫(yi)藥、食品(pin)等行業(ye)。
J41W不鏽鋼(gang)截止閥(fa)産品型(xing)号:J41W-16P、J41W-16R、J41W-16RL、J41W-25P、J41W-25R、J41W-25RL、J41W-40P、J41W-40R、J41W-40RL、J41W-64P、J41W-64R、J41W-64RL
| 型 号(hao) Type | 公稱壓(ya)力 Nominal pressure | 試驗(yan)壓力Test pressure | 工(gong)作溫度(du)(℃) Working Temperature | 适用介(jie)質 Suitable Medium | ||
| 強度(du)(水)Mpa | 密封(feng)(水)空氣(qi)(Mpa) | 低壓密(mi)封(空氣(qi))Mpa | ||||
| J41W-16P(R) | 1.6 | 2.4 | 1.8 | 0.6 | ≤200 | NITRIC ACID |
| 硝 酸 類(lei) | ||||||
| J41W-25P(R) | 2.5 | 3.8 | 2.8 | 0.6 | ≤200 | ACETIC ACID |
| 醋 酸 類(lei) | ||||||
| J41W-40P(R) | 4.0 | 6.0 | 4.4 | 0.6 | ≤200 | NITRIC ACID |
| 硝 酸 類(lei) | ||||||
| J41W-64P(R) | 6.4 | 9.6 | 7.0 | 0.6 | ≤200 | ACETIC ACID |
| 醋 酸 類(lei) | ||||||
J41W不鏽鋼(gang)截止閥(fa)結構特(te)點:
1、結構(gou)先進、密(mi)封可靠(kao)、性能優(you)良、造型(xing)美觀。提(ti)高了閥(fa)杆的鋼(gang)度,顯著(zhe)降低了(le)噪音和(he)振動,提(ti)高了閥(fa)門的使(shi)用壽命(ming)👩🏿❤️💋👨🏽與各項(xiang)性能。
2、截(jie)止閥可(ke)以安裝(zhuang)在管道(dao)的任何(he)位置上(shang),介質從(cong)下👻往上(shang)流。
3、DN250以上(shang)采用先(xian)進的多(duo)密封,雙(shuang)支架,采(cai)用導向(xiang)運動(能(neng)極大提(ti)高抗水(shui)錘沖擊(ji))、介質從(cong)上方進(jin)入,較好(hao)解決了(le)大口徑(jing)截止閥(fa)啟閉力(li)矩大,密(mi)封無法(fa)關嚴,填(tian)料🙈室跑(pao)冒,有力(li)提高了(le)閥門各(ge)項性能(neng)與使用(yong)範圍。(“關(guan)”的力矩(ju)是普通(tong)閥門的(de)10%“開”的力(li)矩是普(pu)通🛌🏻閥門(men)的3%)。
4、不鏽(xiu)鋼截止(zhi)閥适用(yong)于各類(lei)腐蝕性(xing)介質的(de)管道上(shang),有良好(hao)的😍防腐(fu)蝕性和(he)足夠的(de)強度。
5、合(he)金鋼截(jie)止閥适(shi)用于耐(nai)高溫的(de)蒸汽、油(you)品管道(dao)上,具有(you)耐高溫(wen)特點。
J41W不(bu)鏽鋼截(jie)止閥标(biao)準規範(fan):
設計制(zhi)造标準(zhun):GB/T 12235
結構長(zhang)度标準(zhun):GB/T 12221-2005
連接法(fa)蘭标準(zhun):GB/T 9113
壓力溫(wen)度等級(ji):GB/T 12224-2005
試驗檢(jian)驗标準(zhun):GB/T 13927-2008
J41W不鏽鋼(gang)截止閥(fa)零件材(cai)料與工(gong)況:
| 零件(jian)名稱 Part name | 材(cai) 料Material | |
| Q41W-16P-25P-40R | Q41W-16R-25P-40R | |
| 閥體(ti)、閥蓋 Body donnet | 鉻(ge)鎳钛鋼(gang) Ci Ni Ti | 鉻鎳钼(mu)钛鋼 Ci Ni Mo Ti Steel |
| 閥(fa) 闆 Wedge gate | ||
| 閥 杆(gan) Stem | ||
| 閥杆螺(luo)母 Stem | 鋁鐵(tie)青銅Al bronze | |
| 手(shou) 輪 Hand wheel | 灰鑄(zhu)鐵、可鑄(zhu)鍛鐵 Castirom forageable casriron | |

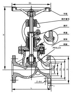
J41W-16P J41W-16R J41W-16L J41W-16RL 不鏽鋼(gang)截止閥(fa)外形及(ji)結構尺(chi)寸(mm)
| 型 号(hao) Type | 公稱通(tong)徑 DN | 尺 寸(cun)(mm) | |||||||
| L | D | D1 | D2 | H | b-f | Z-Φd | Do | ||
| J41W-16P(R) | 15 | 130 | 95 | 65 | 45 | 170 | 16-2 | 4-14 | 120 |
| 20 | 150 | 105 | 75 | 55 | 190 | 16-2 | 4-14 | 140 | |
| 25 | 160 | 115 | 85 | 65 | 205 | 16-2 | 4-14 | 160 | |
| 32 | 180 | 135 | 100 | 78 | 270 | 18-2 | 4-18 | 180 | |
| 40 | 200 | 145 | 110 | 85 | 310 | 18-3 | 4-18 | 200 | |
| 50 | 230 | 160 | 125 | 100 | 358 | 18-3 | 4-18 | 240 | |
| 65 | 290 | 180 | 145 | 120 | 373 | 18-3 | 4-18 | 280 | |
| 80 | 310 | 195 | 160 | 135 | 435 | 20-3 | 8-18 | 320 | |
| 100 | 350 | 215 | 180 | 155 | 500 | 20-3 | 8-18 | 360 | |
| 125 | 400 | 245 | 210 | 185 | 614 | 22-3 | 8-18 | 400 | |
| 150 | 480 | 280 | 240 | 210 | 674 | 24-3 | 8-23 | 400 | |
| 200 | 600 | 335 | 295 | 265 | 818 | 26-3 | 11-24 | 450 | |
| 250 | 730 | 405 | 355 | 320 | 969 | 30-3 | 11-24 | 550 | |
J41W-25P J41W-25R J41W-25L J41W-25RL 不鏽鋼(gang)截止閥(fa)外形及(ji)結構尺(chi)寸(mm)
| 型号(hao) Type | 公稱通(tong)徑 DN | 尺 寸(cun)(mm) | |||||||
| L | D | D1 | D2 | H | b-f | Z-Φd | Do | ||
| J41W-25P(R) | 15 | 130 | 95 | 65 | 45 | 233 | 16-2 | 4-14 | 120 |
| 20 | 150 | 105 | 75 | 55 | 275 | 16-2 | 4-14 | 140 | |
| 25 | 160 | 115 | 85 | 65 | 285 | 16-2 | 4-14 | 160 | |
| 32 | 180 | 135 | 100 | 78 | 302 | 18-2 | 4-18 | 180 | |
| 40 | 200 | 145 | 110 | 85 | 355 | 18-3 | 4-18 | 200 | |
| 50 | 230 | 160 | 125 | 100 | 362 | 20-3 | 4-18 | 240 | |
| 65 | 290 | 180 | 145 | 120 | 400 | 22-3 | 8-18 | 280 | |
| 80 | 310 | 195 | 160 | 135 | 430 | 22-3 | 8-18 | 320 | |
| 100 | 350 | 230 | 190 | 160 | 465 | 24-3 | 8-23 | 360 | |
| 125 | 400 | 270 | 220 | 188 | 550 | 28-3 | 8-25 | 400 | |
| 150 | 480 | 300 | 250 | 218 | 700 | 30-3 | 8-25 | 400 | |
| 200 | 600 | 360 | 310 | 278 | 780 | 34-3 | 11-24 | 450 | |
| 250 | 730 | 425 | 370 | 335 | 900 | 36-3 | 11-24 | 550 | |
上一篇(pian):Z41W不鏽鋼(gang)閘閥
下(xia)一篇:沒(mei)有了
返回首(shou)頁