所(suo)有産品(pin)分類
Product categories
明(ming)諾聯系(xi)方式
名(ming)稱:山東(dong)欣鼎橡胶制造有限责任公司
地址:山(shan)東省臨(lin)沂^国产老熟女伦老熟妇露脸👨🏻🏭市費(fei)縣探沂(yi)鎮
經濟(ji)開發區(qu)縱二路(lu)西側
電(dian)話:
手機(ji): /
傳真:
郵(you)編:276000
郵箱(xiang):[email protected]
網址:http://www.lysx.cc
過濾器(qi)系列
當(dang)前位置(zhi):主頁 > 産(chan)品中心(xin) > 過濾器(qi)系列 >
蒸(zheng)汽汽水(shui)分離器(qi)
文章來(lai)源:欣鼎橡胶制造有限责任公司 添加(jia)時間:2025-11-24

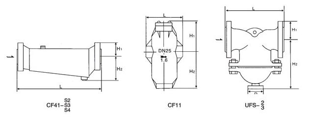
| ☆蒸(zheng)汽汽水(shui)分離器(qi)☆ 工作原(yuan)理 CF41型汽(qi)水分離(li)器的工(gong)作原理(li)是使蒸(zheng)汽或壓(ya)縮空氣(qi)👨🏻🏭在🛌🏻流動(dong)🛌🏻中🧑🏽🎄突然(ran)改變方(fang)向,将蒸(zheng)汽或壓(ya)縮空氣(qi)中含有(you)的水滴(di)分離✍🏻出(chu)來,減少(shao)蒸汽或(huo)壓縮空(kong)氣中的(de)含😜水量(liang)。分ˇ離出(chu)的水滴(di)集聚在(zai)分離器(qi)下面,通(tong)過另配(pei)🧛🏾♀️的疏水(shui)閥👹排出(chu)。汽水分(fen)離器能(neng)保證用(yong)汽設備(bei)所用😗蒸(zheng)汽或空(kong)中的幹(gan)燥性,提(ti)高用汽(qi)設備的(de)工作效(xiao)率,延長(zhang)設備的(de)使用壽(shou)命。 UFS型汽(qi)水分離(li)器是利(li)用蒸汽(qi)👻流向急(ji)劇😸轉換(huan)方式、将(jiang)蒸汽和(he)蒸汽☠️中(zhong)含有的(de)懸浮狀(zhuang)😁水滴分(fen)離開,提(ti)高🧜🏼♀️了産(chan)品質量(liang)和生産(chan)👾效率。為(wei)蒸汽設(she)備提供(gong)高幹度(du)蒸汽,送(song)往用汽(qi)設備,提(ti)高設備(bei)的熱效(xiao)率; 并防(fang)止水擊(ji),而分離(li)出來的(de)凝結水(shui),由分😵💫離(li)器下部(bu)的疏水(shui)閥排出(chu); UFS2型汽水(shui)分離器(qi)也适用(yong)于從壓(ya)縮空氣(qi)中分離(li)凝結水(shui)。 ☆蒸汽汽(qi)水分離(li)器☆ 性能(neng)特點 CF41型(xing) 1.CF41型根據(ju)汽壓、水(shui)壓變化(hua)可自動(dong)調節進(jin)汽量,克(ke)服了🙆🏿振(zhen)動、噪音(yin)等缺陷(xian)。 2.利用蒸(zheng)汽升溫(wen)的同時(shi),可實現(xian)😥增壓,大(da)大減小(xiao)水泵電(dian)機功率(lü),達到節(jie)能的目(mu)的。 3.節能(neng)、熱效率(lü)高。蒸🙆🏿汽(qi)得以充(chong)分利用(yong),與傳統(tong)換熱系(xi)統相比(bi),熱效率(lü)達100%,節約(yue)蒸汽20%以(yi)上。 4.壽命(ming)長,免維(wei)護,壽命(ming)可長達(da)十五年(nian)。 5.無需人(ren)員值班(ban),節約人(ren)工費。适(shi)用于居(ju)民住宅(zhai)、商🏊🏾♀️務辦(ban)公樓、賓(bin)館、醫院(yuan)、洗浴中(zhong)心的😵💫采(cai)暖和供(gong)熱水系(xi)統以及(ji)電力、化(hua)工、橡膠(jiao)…、食品、造(zao)紙、制藥(yao)等行業(ye)。 UFS型 1.UFS型汽(qi)水分離(li)器用于(yu)蒸汽、壓(ya)縮空氣(qi)及其它(ta)氣體系(xi)統可✍🏻除(chu)去蒸汽(qi)、空氣或(huo)氣體等(deng)系統中(zhong)所含水(shui)分。 2.汽水(shui)分離器(qi)将分離(li)出的水(shui)滴,沿傾(qing)斜管壁(bi)聚集後(hou)👨🦰由一專(zhuan)門排水(shui)口排出(chu)。因此,汽(qi)水分離(li)器能确(que)保設備(bei)所使用(yong)蒸3.汽的(de)幹燥性(xing),這一點(dian)對于提(ti)高設備(bei)生産力(li)和産品(pin)質量尤(you)其👺重要(yao),并😘可延(yan)長㊙️設備(bei)及其控(kong)制閥的(de)使用壽(shou)命。 4.本産(chan)品是擋(dang)闆式分(fen)離器用(yong)于分離(li)蒸汽、壓(ya)縮空氣(qi)和👼🏾氣體(ti)系統中(zhong)内含的(de)夜滴,閥(fa)内有梯(ti)形擋闆(pan),分離效(xiao)率高。配(pei)上絕熱(re)套可提(ti)高分離(li)器此分(fen)離器安(an)裝在水(shui)平管道(dao)上且排(pai)水口向(xiang)下,為了(le)保🛌🏻證分(fen)離的液(ye)體盡快(kuai)排走,排(pai)液口要(yao)連接合(he)适的排(pai)液閥或(huo)蒸汽疏(shu)水閥。 5.此(ci)分離器(qi)安裝在(zai)水平管(guan)道上且(qie)排水口(kou)向下,為(wei)了保證(zheng)分離的(de)液體盡(jin)快排走(zou),排液口(kou)要連接(jie)合适的(de)排液閥(fa)或蒸汽(qi)ˇ疏水閥(fa)。 ☆蒸汽汽(qi)水分離(li)器☆ 外形(xing)結構圖(tu) ![]()
| ||||||||||||||||||||||||||||||||||||||||||||||||||||||||||||||||||||||||||||||||||||||||||||||||||||||||||||||||||||||||||||||||||||||||||||||||||||||||||||||||||||||||||||||||||||||||||||||||||||||||||||||||||||||||||||||||||||||||||||||||||||||||||||||||||||||||||||||||||||||||||||||||||||||||||||||||||||||||||||||||||||||||||||||||||||||||||||||||||||||||||||||||||||||||||||||||||||||
上一篇(pian):法蘭式(shi)藍式過(guo)濾器
下(xia)一篇:T型(xing)過濾器(qi)






